Details und Zeichnungen Holzfenster Softline 68
Holz Fensterprofil Softline 68 Querschnitte
Softline 68 Festverglasung
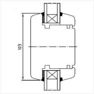
Softline 68 Fest im Rahmen
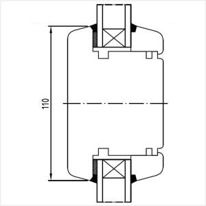
Softline 68 Fest im Flügel
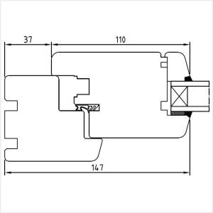
Softline 68 Rahmen mit Flügel Donauschenkel (1805)
Softline 68 Rahmen mit Flügel Retroschenkel
Softline 68 Rahmen mit Flügel Wetterschenkel
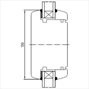
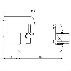
Softline 68 Rahmen mit Flügel
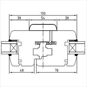
Softline 68 Pfosten mit Flügel
Softline 68 Stulpfenster
Holzfensterprofil Softline 68 Falz
Softline 68 Standardfalz
Softline 68 Ohne Falz
Softline 68 Außenfalz
Softline 68 Innenfalz
Softline 68 Falz für Federprofile
Holzfenster Rahmenverbreiterung
Softline 68 Rahmenverbreiterung 40mm PR040
Softline 68 Rahmenverbreiterung 80mm PR080
Softline 68 Rahmenverbreiterung 110mm PR110
Softline 68 Rahmenverbreiterung 140mm PR140
Holzfenster Kopplungen
Softline 68 Federkopplung
Softline 68 Eckkopplung 135° PP135
Softline 68 Pfosten für Statische Kopplung PS038
Softline 68 Eckkopplung 90° PP090
Holzfenster Sprossenarten
Innenliegende SZR Sprossen / Helima Sprossen
Innenliegende Sprosse 8mm
Innenliegende Sprosse 18mm
Innenliegende Sprosse 26mm
Innenliegende Sprosse 45mm
Aufgesetzte / Aufgeklebte Sprossen
Wiener Sprossen (aufgesetzt) 26mm
Wiener Sprossen (aufgesetzt) 36mm
Glasteilende Sprossen – Kämpfer
Softline 68 Kämpfer-Sprosse 60mm
Softline 68 Kämpfer-Sprosse 80mm
Softline 68 Kämpfer-Sprosse 103mm
Softline 68 Kämpfer-Sprosse 110mm
Drutex Softline 68 Glasteilende Kämpfer-Sprosse 130mm Softline 68 Kämpfer-Sprosse 130mm
Holzfenster Zierprofile und Leisten
Zierprofil Holz EKP1
Zierprofil Kopfstück Holz
Zierprofil Fußstück Holz
Zierleiste Schlagleiste Holz LP201
Zierleiste Kämpferleiste Holz LP101
Viertelstab Holz LWR015
Holz Abdeckleisten
Holz Abdeckleisten 20mm
Holz Abdeckleisten 50mm
Holz Abdeckleisten 80mm
Holz Abschlussleisten
Holz Abschlussleisten 20mm
Holz Abschlussleisten 30mm
Holz Abschlussleisten 40mm
Balkontür Holz Softline 68
Softline 68 Balkontür mit Blendrahmen
Softline 68 Balkontür mit flacher Schwelle
PSK Parallel-Schiebe-Kipp-Tür Holz Softline 68
Softline 68 Parallel-Schiebe-Kipp Tür
Softline 68 PSK Rahmen Festelement
Holz Softline 68 Haustür
Softline 68 Haustür Rahmen nach Außen
Softline 68 Haustür Rahmen nach Innen
Softline 68 Haustür 20mm Schwelle nach Außen
Softline 68 Haustür 20mm Schwelle nach Innen
Softline 68 Außentür mit Stulp
Holzfenster mit Aufsatzrollladen
Aufsatzrollladen Führungsschiene Holz PD110
Aufsatzrollladen Führungsschiene Holz PD120
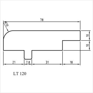
Aufsatzrollladen Traverse Holz LT 120
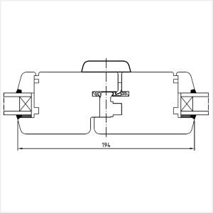
Aufsatzrollladen 225mm mit Holzfensterprofil Softline 68
